Here you can see some examples of projects that I worked on while I was working as a carpenter for Vörðufell ehf. and the obstacles that I had to face.
Post office in Selfoss
The post office was the first construction project where I had full responsibility for certain parts of the project, such as the roof with glulam beams and more. I was able to gain a lot of experience from that project, and it nudged me closer to becoming more independent in the industry.




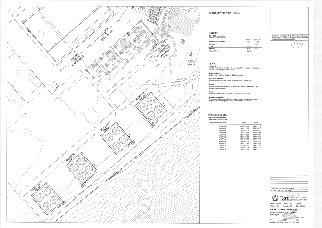
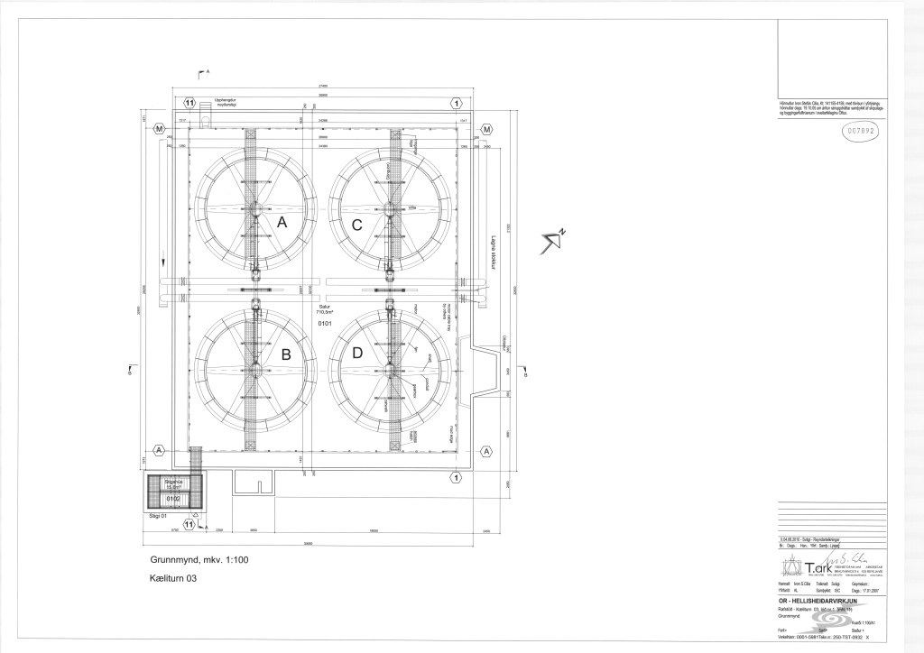
Hellisheiðarvirkjun Cooling tower
Hellisheiðarvirkjun is a power plant that uses naturally hot water from the ground in order to create electricity. It also uses that hot water to heat up cold water, which is in turn used to heat up homes. The plant then pumps the hot water back into the ground, creating a perfect circle. Hellisheiðarvirkjun creates some of the cleanest energy in the world.
We got the opportunity to work on one of their cooling towers, and our job was to reinforce the cladding. The original design did not consider the area in which the plant is located, which has one of the most extreme weather conditions in the country. Because of that, they had issues with the cladding getting loose.
We were supposed to reuse the old cladding to minimize cost and waste. We had to plan accordingly and mark every single panel so they could be reinstalled in the same spot.
The cooling tower has four cooling units, and we were only allowed to turn off one unit at a time. That created complications, and we had to go through each process four times.
One of the hazards of working in the area is the hydrogen sulfite that comes with the natural hot water, a colorless chalcogen-hydride gas that is poisonous, flammable, and corrosive. As a safety precaution, we had to wear special H2S measuring tools and leave the premises when they started detecting hydrogen sulfite.
That project gave me good insight into the workflow of a large and dangerous workplace where safety is one of the top priorities.










Insurance
Vörðufell has been working for two of the biggest insurance companies in Iceland and has taken on cases located in the south of Iceland, both in the city and out in the countryside. The work has been on residential houses, summer houses, workshops, and so on.
My job at Vörðufell had always included claim cases, but by the start of 2020, I had become one of those most often dispatched to handle claim cases for insurance companies. I had to be able to adapt to every situation and work independently when arriving on the scene. I had to communicate with the owners who had just experienced great property losses.
By working on fixing claim cases for insurance companies, I enhanced my problem-solving and communication skills, becoming more independent and confident in the trade.




Þingvellir
Vörðufell got the project to build public toilets in three locations in the national park Þingvellir. Þingvellir has significant meaning to the nation, so preserving nature in the area was one of our top priorities.
To minimize pollution in the area and lower cost, the toilets were built outside Vörðufell’s workshop. When the toilets were mostly finished, they were transferred to the designated locations, and the finishing touches were applied on-site.









Residential houses
Vörðfell has private projects on the side with tender projects. They buy plots of land and build semi-detached and terraced houses on them.
Woking on those projects, I honed my carpentry and communication skills by working with other trades.




